Description
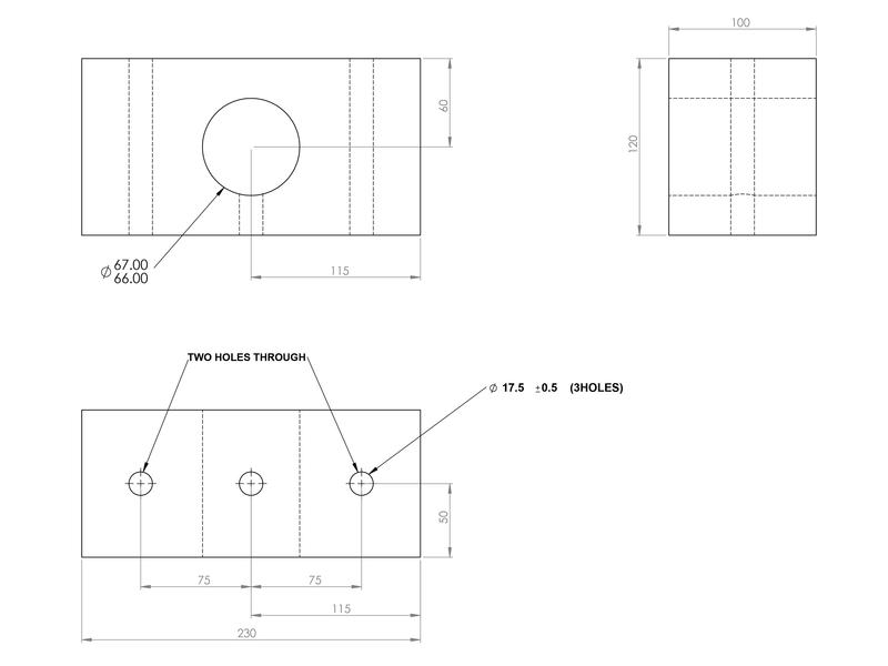
REPLACEMENT WOODEN BEARING FOR GRAYS ROLLER.
Replaces original part no. n/a.
All parts listed are not manufactured by the original equipment manufacturer, unless otherwise stated.
Original part numbers are for reference purposes only and are not intended to suggest they are made by the original equipment manufacturer.


